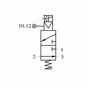
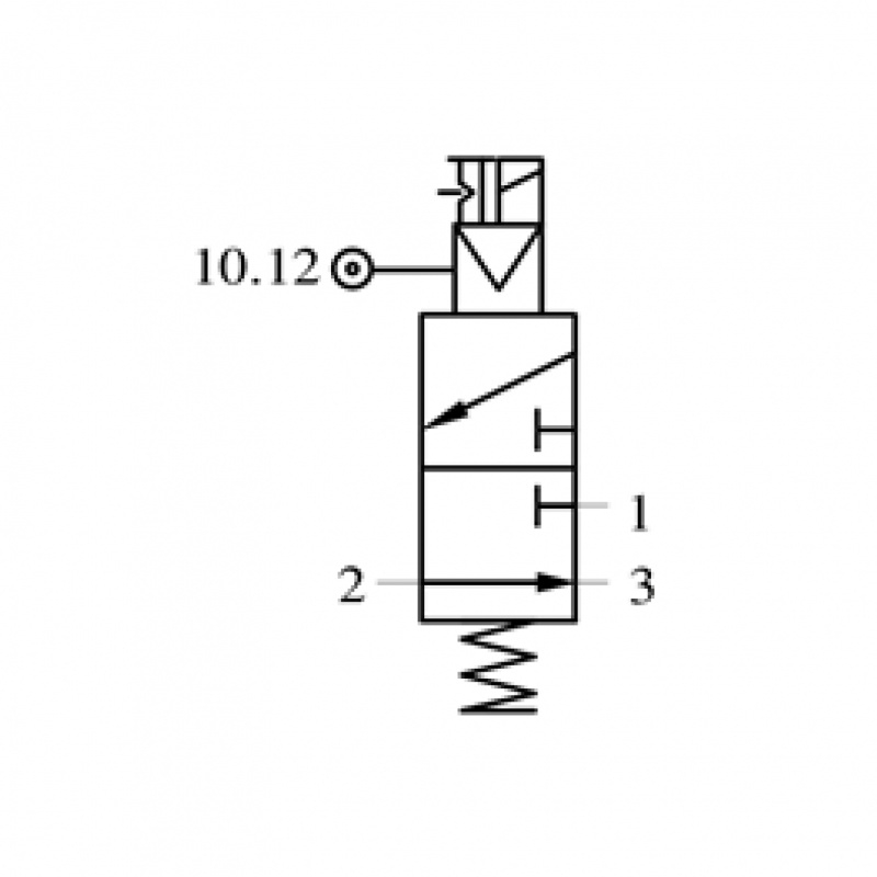
3/2 Пневмораспределитель 237-838 160/1, G1/4, 1100 л/мин

 

3/2 Пневмораспределитель с электромагнитным управлением 237-838 160/1, G1/4, 1100 л/мин
Условный проход NO 7 mm. Пропускная способность 1100 л/мин. Рабочая схема 3/2. t -50°С…+80°С. Напряжение катушки: 24, 110, 220 V (DC/AC). Max -10 bar. В комплекте с катушкой ЭМ. Коннектор для заказа арт. 43650.

Применение:
Электро-магнитное управление с пружинным возвратом.

Аналоги:
FESTO MFH-3-1/4