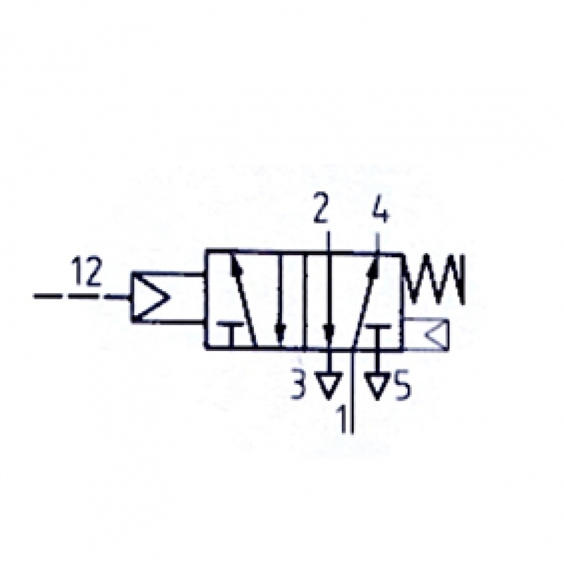
5/2 Пневмораспределитель 237-121 000, G1, 11000 л/мин

 

5/2 Пневмораспределитель с пневматическим управлением 237-121 000, G1, 11000 л/мин
Условный проход NO 25 mm. Пропускная способность 11000 л/мин. Рабочая схема 5/2. t -50°С…+80°С.

Применение:
Одностороннее пневматическое управление с пружинным возвратом. Max -10 bar.