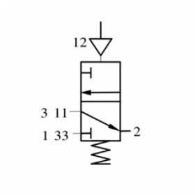
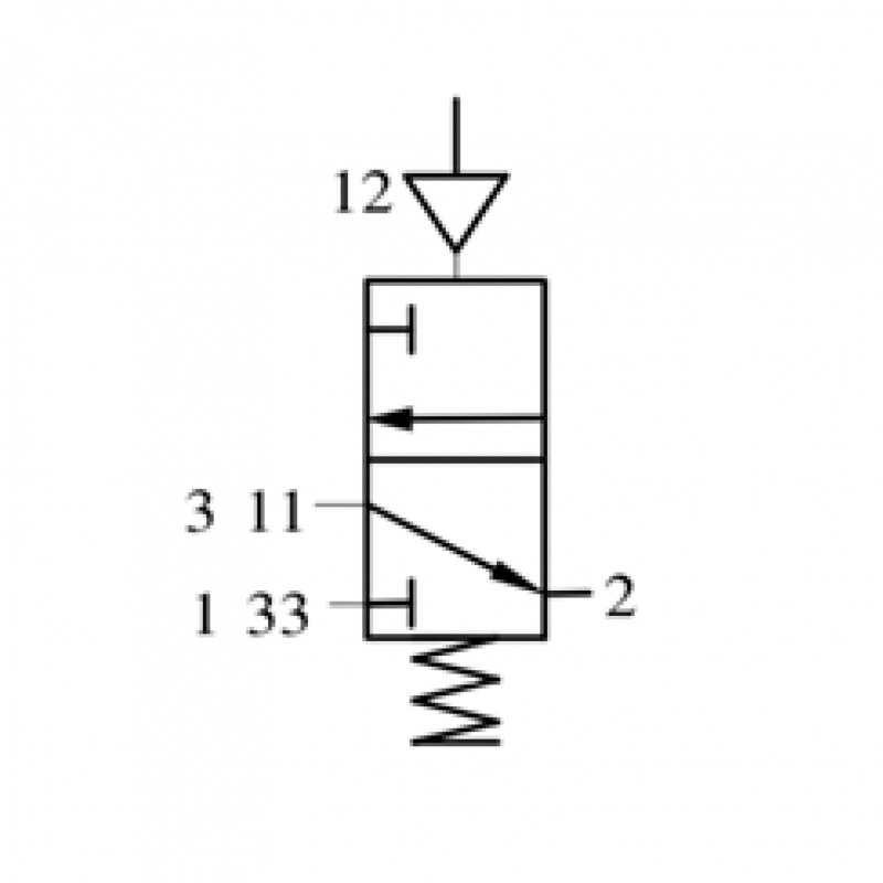
3/2 Пневмораспределитель 237-662 000/1, G1/4, 1200 л/мин

FESTO VL/0-3-1/4
Аналог автопроизводителя:
 
 

3/2 Пневмораспределитель с пневматическим управлением 237-662 000/1, G1/4, 1200 л/мин
Условный проход NO 7 mm. Пропускная способность 1200 л/мин. Рабочая схема 3/2. t -50°С…+80°С.

Применение:
Одностороннее пневматическое управление с пружинным возвратом. Max -10 bar.

Аналоги:
FESTO VL/0-3-1/4